
1-1 電 流(CURRENT): 1.20A(可調整)
1-2 功 率(WATTAGE): 14.4W(可調整)
1-3 額定電壓: DC12V(可調整)
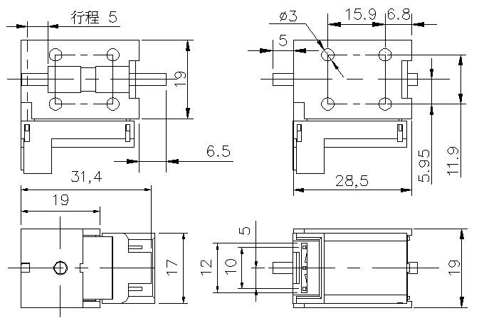
1-4 動作行程: 5.0mm(可調整)
1-5 直流電阻(DC RESISTANCE): 9Ω±5%(周圍溫度20℃)
1-6 工作循環(DUTY CYCLE): 間歇通電≤10%
1-7 絕緣等級(INSULATION CLASS): F級(CLASS F 155℃
1-8 保持力 (HOLDING FORCE): Omm行程時保持力≥600g
* 表示必填采購:電磁鐵JL-0626N
* 聯系人: | 請填寫您的真實姓名 |
* 手機號碼: | 請填寫您的聯系電話 |
電子郵件: | |
* 采購意向描述: | |
請填寫采購的產品數量和產品描述,方便我們進行統一備貨。 | |
驗證碼: |
|
我要評論: | |
內 容: |
(內容最多500個漢字,1000個字符) |
驗證碼: | 看不清?! |
共有-條評論【我要評論】